One-micron Optical Encoder Module, OEM-001U-01
|
|
|
|
|
|
One-micron Optical Encoder Module and Linear Scale |
||
| OEM-001U-01 Datasheet in PDF ![]() |
|||
Drawing quick
view ![]() |
|||
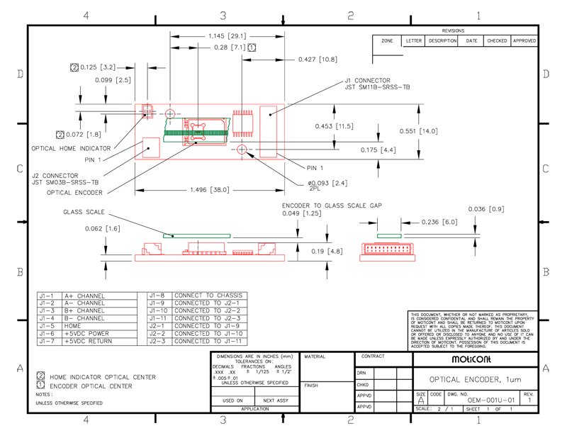
| J1 Pin Assignment |
|
Pin |
Description |
|
1 |
A+ Channel of Quadrature Encoder |
|
2 |
A- Channel of Quadrature Encoder |
|
3 |
B+ Channel of Quadrature Encoder |
|
4 |
B- Channel of Quadrature Encoder |
|
5 |
Reference Signal, Active High |
|
6 |
+5 VDC Power |
|
7 |
Return for +5 VDC Power |
|
8 |
Connect to chassis if the following pins carry motor current |
|
9 |
Connected to J2-1 |
|
10 |
Connected to J2-2 |
|
11 |
Connected to J2-2 |
| J2 Pin Assignment |
|
Pin |
Description |
|
1 |
Connected to J1-9 |
|
2 |
Connected to J1-10 |
| 3 | Connected to J1-11 |
























