Home > Linear Voice Coil Motors with Shaft and Built-in Bearing

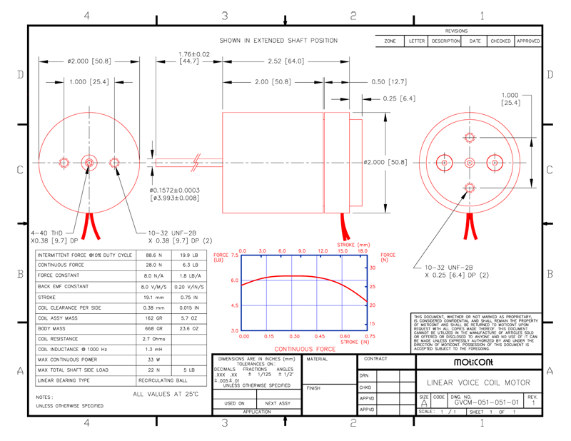
Vacuum Compatible Linear Motor with Internal Shaft & Bearing, GVCM-051-051-01VAC
Continuous Force: 6.3 lb (28.0 N), Stroke: 0.75 in (19.1 mm)


 

Buy Online
Housing Outside Diameter, 2.000 inch, 50.8 mm

Vacuum Compatible Linear Voice Coil Motor with Built-in Bearing

Model # Stroke   Continuous Force   Intermittent Force @ 10% Duty Cycle   Housing Length  
GVCM-051-051-01VAC 0.75 inch 6.3 lb 19.9 lb 2.00 inch
Datasheet in PDF PDF 19.1 mm 28.0 N 88.6 N 50.8 mm
Drawing quick view Mechanical Drawing Download 3D STEP

Share this page: